Introduction:
The brake system of a truck has three main functions: to reduce speed, to bring the vehicle to a standstill, and to keep it stationary when parked. It differs from a passenger car because it uses pneumatics instead of hydraulics. The brakes are controlled via air from the pedal and the parking brake lever.
Heavy commercial vehicles and mobile machinery have air pressure brakes, with subsystems consisting of:
- service brake
- emergency brake (auxiliary brake)
- parking brake
- continuous brake.
The first three subsystems are prescribed by law.
The service brake allows you to reduce the speed of the vehicle or bring it to a stop. Operated with the foot, you must be able to modulate the braking force. Service brakes are friction brakes, which not only provide deceleration, but also cause wear to brake linings, brake discs and brake drums. Wheel brakes convert part of the kinetic energy into heat (friction heat) and thus slow the vehicle down.
The emergency brake must ensure that braking is still possible if the service brake fails. The parking brake locks a stationary vehicle to prevent it from rolling away and operates mechanically, as required by law. It is operated with the parking brake lever on the dashboard, which can also serve as a parking brake. The parking brake is used to keep the parked truck in place and, according to legislation, operates mechanically by fully venting the spring brake cylinders.
In addition to an air brake system, commercial vehicles usually also have a continuous brake system. Continuous brake systems, such as the retarder (engine brake), hydrodynamic retarder (driveshaft brake), and electromagnetic retarder (also a driveshaft brake), are additional braking systems that reduce speed without bringing the vehicle to a stop and without thermally (over)loading the mechanical brake parts while descending a mountain.
Air vs. fluid:
For passenger cars and light commercial vehicles it is common to have brake systems actuated by brake fluid. In the case of heavy commercial vehicles, however, a different approach is required due to the need for more braking power and the resulting heat development during braking.
For trucks, brake components, in particular drums, must be made larger in order to meet the required specifications. This includes not only a larger diameter but also a wider structure to provide space for wider brake linings. To prevent overheating of the brake linings, a substantial amount of lining material is needed to reduce the thermal load.
The larger surface area of the lining material is necessary to create sufficient friction between the drum and lining. This leads to the need for a large wheel brake cylinder, which however presents problems due to limited space for the brake lining. Increasing the diameter of the master cylinder is also not an ideal solution, as this can affect the desired braking force.
These limitations result in an increase in fluid flow and a greater stroke of the piston in the master cylinder. This in turn leads to an increase in pedal travel, reduced pedal feel and a longer response time of the brake system. To overcome these challenges and comply with legal requirements for braking deceleration in heavy commercial vehicles, a full air brake system is often chosen.
The advantages of a full air brake system include a minimal effect of temperature increase on the development of braking torque, a fast response time thanks to compressed air, and the ability to easily influence brake force development by adjusting lever ratios or the surface areas of diaphragm cylinders.
Air supply, air consumption, parking brake and the components:
The service brake of a truck consists of an air-supplying and an air-consuming section. In the illustration, the parts belonging to these sections are colored blue and yellow.
Air-supplying section:
The air-supplying section ensures that air is delivered at the correct pressure. In this section the air is also cleaned and dried. The components that belong to the air-supplying section and are indicated in blue in the illustration below are:
1. Air compressor: the air compressor contains two cylinders in which air is drawn in and fed under pressure to the next component;
2. Air dryer: here the moisture is removed from the compressed air. The filter contains granules that absorb the moisture. Under the dryer is the wet reservoir;
3. Four-circuit protection valve: when a leak occurs in one of the three circuits, the air pressure in the two other circuits is maintained;
4 to 6. Air reservoirs: the air supply is stored in the air reservoirs.
Air-consuming section:
In the air-consuming section, the air from the air-supplying section is used. This section contains the actuation, as well as the controls that adjust the brake pressure according to load, and of course the brakes themselves. The air-consuming section is colored yellow.
7. Foot brake valve: the position of the foot brake valve determines how much air is admitted to the brake cylinders. The driver operates the foot brake valve;
8. Load-sensing valve: the weight (load) on the rear axle is registered (mechanically or pneumatically). The ALR controls the relay valve;
9. Front diaphragm cylinders: the brake calipers of the front wheels are actuated with diaphragm cylinders.
10. Rear diaphragm cylinders: the brake calipers or brake drums of the rear wheels are actuated by the diaphragm cylinder, which is located in a combined spring brake cylinder.

Legend:
1. Air compressor
2. Dryer with wet reservoir
3. Four-circuit protection valve
4. Air reservoir circuit 3
5. Air reservoir circuit 1
6. Air reservoir circuit 2
7. Foot brake valve
8. Load-sensing valve (ALR)
9. Diaphragm cylinders (front)
10. Diaphragm cylinders (rear)
11. Spring brake cylinders (rear)
12. Non-return valve
13. Parking brake valve
14. Relay valve
- Blue: air-supplying
- Yellow: air-consuming
- Green: parking brake / emergency brake
Parking brake and emergency brake:
In addition to the air-supplying and air-consuming sections, we also see the parking and emergency brake section in green. When the truck is parked, the driver can operate the parking brake. In case of emergency, the emergency brake can be activated to bring the vehicle to a stop. The following components can be seen in the parking and emergency brake section:
11: Spring brake cylinder: at rest, without air pressure, the spring in this combined spring brake cylinder keeps the vehicle braked;
12: Non-return valve: this ensures that the brakes do not start dragging if a leak occurs in circuit 1, 2 or 4;
13. Parking brake valve: this lever is within hand’s reach on the dashboard. With this lever, the parking brake can be (de)activated;
14. Relay valve: the amount of air from the parking brake valve determines the flow from reservoir 4 to the spring brake cylinders 11.
Circuits in the air brake system:
The air brake system of a truck contains three circuits:
- circuit 1: rear brakes
- circuit 2: front brakes
- circuit 3: parking brake / emergency brake
- circuit 4: accessories such as engine brake, air horn and cab suspension
- circuit 5: air suspension. Previously, the air suspension was connected to circuit 4. On new vehicles, this circuit is tapped before the valve due to higher pressure and a fast response time.
The illustration below shows the three circuits of the brake system, which are separated in the four-circuit protection valve. The service brake consists of circuit 1 (blue for the front axle) and circuit 2 (red for the rear axle). Both circuits have their own air reservoirs (5 and 6 in the illustration), with the air pressure being about 10 bar. The parking / emergency brake (green) has its own air reservoir (4). The air pressure is about 8 bar.

Legend:
Circuit 1: Red
Circuit 2: Blue
Circuit 3: Green
In this overview, a trailer brake valve has not yet been included, because on this page we first focus on the basics of the air brake system of the motor vehicle. On the page: trailing vehicle brake the schematic above is expanded with, among other things, the trailer brake valve, the associated components and additional air lines.
Air brake codings:
The air brake system of a truck consists of multiple circuits, such as those of the service brake, parking brake, accessories and air suspension. When coupling a trailer (towed vehicle), one circuit of the brake system is extended. When maintaining, repairing or troubleshooting, it is important to find the correct components and lines. To keep this clear, all inlets and outlets of the valves are provided with codings. From these codings you can see where the line comes from and where it goes. The codings can be found in line diagrams and function diagrams.
0: Air intake connection of the air compressor
1: Air supply (inlet) to a component
2: Air outlet (outlet) from one component to another component
3: Vent / blow-off opening to the outside air
4: Control connection of a relay function of a valve
5: Free (often used from a bellows with EBS of a trailer)
6: Free
7: Frost protection
8: Lubricating oil (81: supply, 82: return)
9: Coolant (91: supply, 92: return)
A component can have multiple inlets and outlets. The coding then consists of two digits, the first indicating what type of connection it is and the second the sequence number. The foot brake valve, for example, has two inlets and two outlets for circuit 1 (front axle) and 2 (rear axle).
- inlet circuit 1: 11
- inlet circuit 2: 12
- outlet circuit 1: 21
- outlet circuit 2: 22
The following illustrations show an illustration of a foot brake valve (drawing: Wabco) and the symbol of a foot brake valve, both with the codings.


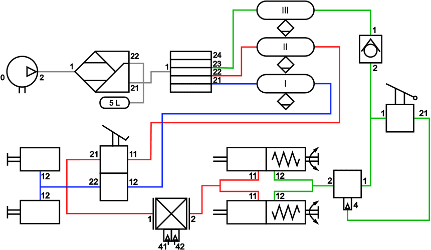
In the illustrations below we see the diagram of the air brake system with all components (top) and the diagram with the same layout in which the separated circuits with all symbols and codings of this particular brake system are shown (bottom).
Legend:
1. Air compressor
2. Dryer with wet reservoir
3. Four-circuit protection valve
4. Air reservoir circuit 3
5. Air reservoir circuit 1
6. Air reservoir circuit 2
7. Foot brake valve
8. Load-sensing valve (ALR)
9. Diaphragm cylinders (front)
10. Diaphragm cylinders (rear)
11. Spring brake cylinders (rear)
12. Non-return valve
13. Parking brake valve
14. Relay valve
Legend:
Circuit 1 (rear brakes): Red
Circuit 2 (front brakes): Blue
Circuit 3 (emergency brake / parking brake): Green
Related page: