Lambda sensor:
Every modern car with a petrol engine and EOBD has 1 or 2 lambda sensors mounted in the exhaust. Often there is a control sensor before the catalytic converter (a wideband sensor), and a monitoring sensor after the catalytic converter (switch-type sensor). When there is only one lambda sensor (before the catalytic converter), in most cases this is a switch-type sensor. The switch-type sensor is also called a zirconia sensor. In the image below, the front and rear lambda sensors of cylinder bank 1 can be seen (numbers 1 and 2) and of cylinder bank 2 (numbers 3 and 4).

The lambda sensor checks the composition of air and fuel in the exhaust gases. The measurement data is sent to the engine control unit. The lambda sensor is necessary for the catalytic converter to function, because it works with a mixture that regularly alternates between lean and rich. The control sensor actually “controls” the mixture composition; the engine control unit receives the measurement data from the control sensor and adjusts the injection accordingly. When the mixture was too lean, more fuel is injected. With a mixture that is too rich, the injector pulse width will be shortened to make the mixture leaner again.
When a vehicle is equipped with two sensors, the switch-type sensor registers the oxygen content in the exhaust gases after the catalytic converter; this is used to check whether the catalytic converter has properly converted the exhaust gases. If the catalytic converter is defective (e.g. when the internal structure is damaged or simply due to aging) the switch-type sensor will detect the poor operation of the catalytic converter. The engine warning light will then be activated. When the car is read out, a fault code will appear indicating that the catalytic converter is not working properly. A lambda sensor often lasts around 160,000 km. When a lambda sensor ages, the measurement results can be affected without the engine warning light coming on.

The injection system page explains how the mixture composition affects the exhaust gases, engine power and fuel consumption.

The lambda sensor compares the exhaust gases with the outside air. It is therefore important that the outside air supply to the sensor is not blocked. When this small hole is blocked and no (blue in the image below) air can enter the sensor, the sensor will stop working.
Heating element:
Modern lambda sensors are equipped with an internal heating element. This heating element ensures that the lambda sensor can start measuring as quickly as possible after a cold start. The lambda sensor only functions when the exhaust gases have reached a temperature of approx. 350 degrees Celsius. By heating the lambda sensor internally, measurements can already be taken when the exhaust gases have reached half of the originally required temperature. Instead of several minutes, closed-loop operation can now be achieved within a few seconds.
Wideband sensor:
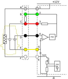
The wideband sensor has a larger measuring range than the switch-type sensor. Even during full load, when the mixture is rich, the correct air/fuel ratio is registered and sent to the ECU. Not only is the measurement accuracy high, but the sensor is fast and resistant to high temperatures (up to 950-1000°C). The image below shows the circuit diagram of the wideband sensor.

The wideband sensor must be at least 600°C to function properly. Therefore, a heating element (between terminals A-F) is also used to heat the sensor after a cold engine start. The wideband sensor consists of a conventional zirconia sensor and a pump cell. The sensor is located between terminals D and E, and the pump cell between C and E. The output voltage of the zirconia sensor depends on the lambda values:
- Lean: 100 mV;
- Rich: 900 mV.
The pump cell in the wideband sensor tries to keep the voltage constantly at 450 mV by pumping oxygen to or from the exhaust. With a rich mixture the oxygen content is low, so the pump cell must pump a lot of oxygen to maintain the 450 mV voltage. With a lean mixture the pump cell pumps oxygen out of the measuring cell. During this process, the current direction used by the pump cell changes.
The current intensity that arises during pumping is measured. The magnitude and direction of the current is an indicator of the actual air/fuel ratio. In the control unit (the part to the right of the dashed line in the image above) the pump cell is controlled. The voltage at point 4 depends on the value provided by the oxygen measuring element. This voltage is applied to the negative input of the op-amp in the control unit.
- Rich mixture: the voltage at the negative input of the op-amp is higher than at the positive input. The amplifier is pulled to ground and the output voltage will decrease. A current flows from E to C.
- Lean mixture: the voltage at the negative input of the op-amp is lower than 2.45 volts, causing the amplifier to be pulled up to 4 volts and the output voltage to increase. A current flows from C to E. Here, the current direction is reversed compared to the rich mixture.
The control unit can determine the current intensity by measuring the voltage drop across the resistor at terminal 3. The magnitude of this voltage drop is an indicator of the lambda value. Therefore, the voltage of the switch-type sensor cannot be checked with a multimeter to verify whether the sensor is still functioning correctly.
Switch-type sensor:
The switch-type sensor has a limited measuring range. Older cars with only one lambda sensor before the catalytic converter are often equipped with a switch-type sensor as a control sensor. The switch-type sensor generates a voltage based on the oxygen difference. This voltage ranges between 0.1 and 0.9 volts and can be measured with a multimeter.

Lambda values in a homogeneous and stratified combustion process:
Homogeneous:
With a homogeneous mixture, the lambda value is 1 everywhere. For a petrol engine this means that the air-fuel ratio is 14.7:1 (14.7 kg of air with 1 kg of fuel). Any engine can run homogeneously. If enrichment takes place, the lambda value will drop, and if the mixture is made leaner, the lambda value will rise:
λ<1 = Rich
λ>1 = Lean
An engine will always continue to oscillate between lean and rich to allow the catalytic converter to work properly.

Stratified:
Engines with direct injection can run stratified at partial load. A stratified combustion process means that various air layers are present in the combustion chamber, which are used during combustion. Near the spark plug the lambda value is 1. Further away from it the lambda value becomes higher (leaner, thus more air). This air provides an insulating air layer. In a stratified process, the injection timing is later than in the homogeneous process.
With the help of stratified injection, the throttle valve can be fully opened, causing it to throttle the air less. Because the intake air is de-throttled, it experiences less resistance and can therefore be drawn in more easily. Because the lambda value in the combustion chamber with stratified injection is still less than 1 near the spark plug due to the insulating air layer, this does not cause any combustion problems. During the stratified process, fuel consumption decreases.
At full load, the engine always runs homogeneously. This provides a higher torque than with a stratified process. When the engine runs homogeneously, the fuel is injected early. When pulling away from standstill, the engine also runs homogeneously. There is then a higher pull-away torque than if the engine were running stratified.
Fuel trims:
Fuel trims are formed from the data from the lambda sensor. In a petrol engine, fuel trims are used to maintain the ideal air/fuel ratio for complete combustion. This is 14.7 kg of air to 1 kg of fuel and is called the stoichiometric mixture ratio.
Fuel trims form a correction factor to adjust the base amount of injected fuel when necessary. Wear and contamination of engine components, sensors and actuators are taken into account. With the help of fuel trims, the exhaust gas emissions are kept within legal limits over the entire life cycle of the car.
For more information visit the page: Fuel trims.

