Introduction:
Modern motor vehicles contain dozens of control units that are responsible for the operation of both the combustion engine and the electric motor, as well as for comfort and safety functions. These control units are equipped with software that processes the signals from sensors and, based on that, determines which actuators need to be controlled. On the “Interface circuits” page, the process in which the ECU (control unit) processes the input and output signals is explained in more detail.
In the following image we see the engine management ECU in the centre, with the sensors on the left and the actuators on the right.
- Sensors send a voltage with a low current to the ECU. The level of the voltage (ranging from 0 to 5 or 14 volts), the frequency (engine speed) or the pulse width of a PWM signal provides the ECU with input about the measured value of the sensor.
- With actuators, the current is more important than the voltage. Although a voltage is needed to generate current, the actuator will not operate without this current.
On the “Sensor types and signals” page, the input signals from the sensor to the ECU are explained in more detail. On this page, the control of actuators is highlighted.

Control of an actuator by a relay, transistor and FET:
The actuator is switched on and off by the ECU. In the ECU, an electrical connection is made or broken by means of a transistor or a FET.
The control principle of a transistor is the same as that of a relay: both components are controlled with a control current to bring them into conduction. The operation of a transistor does differ from a relay: there are no moving parts in the transistor. The transistor switches with an electron flow.
In the three images below we see a relay circuit with a lamp.
- Relay de-energised: no control current is flowing. The coil is not magnetic, so the switch in the main current side is open. No main current flows either. The lamp is off;
- Relay energised: the relay coil receives a supply voltage and is connected to ground. A control current starts to flow and the coil uses the supply voltage to become magnetic. As a result of the magnetic field, the switch in the main current section is pulled closed. A main current flows and the lamp lights up;
- Schematic representation of control current through the coil and main current through the lamp.
In an ECU, transistors and/or FETs are switched on and off. In the next three images we see a transistor circuit, again with a lamp as the consumer. The transistor is of the NPN type.
- Transistor not conducting: there is no supply voltage on the base terminal of the transistor. No control current is flowing, so the transistor does not switch any main current;
- Transistor conducting: a supply voltage is applied to the base terminal. A control current flows via the base and emitter to ground. The transistor starts conducting, causing the ground connection of the lamp to be connected to the ground of the circuit. A main current flows and the lamp turns on;
- Schematic representation of the control current through the transistor and the main current through the lamp.
We increasingly see FETs being used in the ECU. The abbreviation FET stands for: “Field Effect Transistor”. The main difference between a FET and a transistor is that a FET is brought into conduction with a voltage, whereas a transistor needs a control current. At the moment the FET is brought into conduction, an electron flow starts. The electron flow runs from negative to positive (actual direction of current).
- FET not conducting. The gate is not provided with a control voltage;
- FET conducting: a control voltage is applied to the gate. The FET starts conducting, causing a main current to flow through the lamp;
- Schematic representation in which we see the direction of the electron flow (from negative to positive) running through the FET.
The operation of the transistor and FET is described on separate pages. On this page we focus exclusively on the switching principles of actuators.
Control of an actuator by an ECU:
The transistor and FET are located on the ECU’s circuit board, but are sometimes also integrated into actuators. In this paragraph we take a closer look at the ECU circuits of four different types of actuators. In the image we see two passive actuators with their own positive supply and a ground-side switch via the ECU.
Passive actuators are – in most cases – equipped with a coil that has its own supply voltage and is switched to ground by the ECU. A passive actuator can have a position sensor, but this is often also passive (an external potentiometer), and is processed in another part of the ECU via a separate signal wire.
At the moment that the current through the actuator is controlled directly by the transistor in the ECU, this is called a power transistor. The control of a passive actuator can also take place via a FET.
The images below show examples of how passive actuators are controlled.
1. Ignition coil control: with a coil without internal drivers, the primary current of the coil is switched to ground by the ECU. The image shows the power transistor in the ECU (2), designed as a Darlington circuit to provide a higher gain factor, which switches the primary winding of the coil (3) to ground in order to charge the primary winding. The secondary winding is connected to the spark plug side (4).
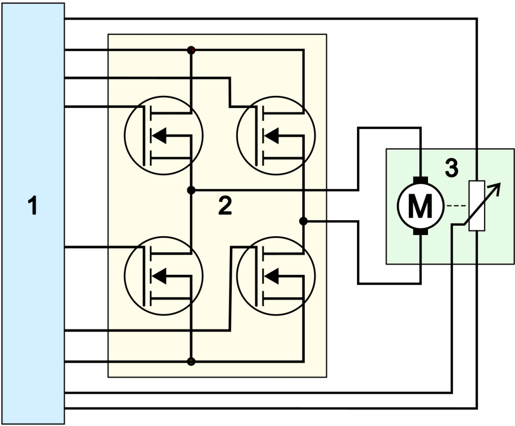
2. Electric motor control: with the aid of an H-bridge, a brushed electric motor can rotate in two directions. The H-bridge can be implemented with transistors or with FETs as shown. The electric motor is equipped with a potentiometer to feed back the position to the ECU. Possible applications include: electric motor for the heater flap, EGR valve, mirror glass, seat adjustment, throttle valve. In the latter case, a dual potentiometer is used for safety. The H-bridge is usually an IC which is mounted on the ECU circuit board.
On the H-bridge page, examples of the various designs of the H-bridge with transistors and FETs are described.
In addition to passive actuators, we also encounter active and intelligent actuators. In the image below we see the circuits of these types.
With active and intelligent actuators, the ECU switches the current through the actuator indirectly. The transistor in the ECU is relatively light, since the current it will switch is negligible.
- Active actuator: the power transistor is no longer located in the ECU, but in the actuator itself. An example of this is an ignition coil (a pencil coil, or DIS coil with internal drivers). In this case, the active actuator is the driver. The actuator receives a constant supply voltage and a constant ground, and the signal transistor in the ECU switches the power transistor on or off with a logical 1 or 0 (5 volts or 0 volts);
- Intelligent actuator: the actuator is equipped with its own ECU with a switching transistor. Communication between both (or multiple) ECUs takes place via the LIN bus, where digital signals are exchanged. An example of an intelligent actuator is a windscreen wiper motor. Via LIN bus communication, data such as the current position of the wiper arms, speed and the movement to the park position can be exchanged.
Related page: