Introduction:
Glow plugs are also called glow pencils. Both names are correct, but on this page we only use the term glow plug. Every diesel engine has glow plugs. An indirect injection diesel engine always needs glow plugs to be able to perform a cold start. A direct injection diesel engine can start without glow plugs at outside temperatures above 10 °C, but will then emit far more harmful substances, including soot. In addition, a diesel engine with a non-functioning glow system will have more difficulty regenerating the diesel particulate filter, because the required temperature is not reached.
Due to the large heat-dissipating surface of a prechamber or swirl chamber in an indirect injection diesel engine, it is necessary during a cold start to heat up the air in the combustion chamber. This is done by the glow plugs.

Operation of the glow plug:
When the ignition is switched on, a high current immediately flows through the cold glow plug. This current causes the glow plug to reach a very high temperature within a few seconds. The current decreases as the engine temperature rises. After all, the resistance of the regulating coil increases with temperature. In this way, a glow plug with a metal heating element maintains an even temperature of about 1000 degrees Celsius and a ceramic glow plug of approx. 1400 °C.
A glow plug has a heating coil and a control coil fitted in a glow tube. The heating coil causes the glow tube to glow at the tip. The heating coil and control coil are firmly embedded in a powder. This powder is electrically insulating but conducts heat well.
In modern cars, the system already starts preheating when the car is unlocked or when the driver’s door is opened. At that moment, it is a signal for the engine control unit that the engine will be started ‘soon’. By already activating the glow plugs, the air in the combustion chamber and with it the engine components have been warmed up for some time before the engine is started.
After approximately 5 seconds, the glow plug reaches its operating temperature. The glow time is controlled electronically. In most cases the glow plugs remain activated for some time after the engine has started, depending on the ambient temperature. Due to the afterglow, the engine will run smoothly after a cold start and will emit less soot.
The glow plugs are also activated during the regeneration process of the diesel particulate filter.

The illustrations below show a direct injection (left) and an indirect injection (right) diesel engine. In the direct injection diesel engine, the glow plug is located directly next to the injector above the piston. The glow plug of the indirect injection version is mounted in the prechamber.


Some engines use a pilot (ignition) jet. In this case, one of the fuel jets from the injector is aimed directly at the glow plug. The fuel comes into contact with the hot glow plug and will therefore evaporate more quickly. A combustible mixture is formed even faster, so that the engine runs better during a cold start. The image shows the pilot jet with a direct injection diesel engine.

Computer-controlled glow plugs:
With electronically controlled glow plugs, the control coil described in the previous paragraph is omitted. The temperature is then no longer controlled by the control coil, but indirectly by the engine management computer. This ECU determines the start of the glow period, the glow duration, and the control strategy.
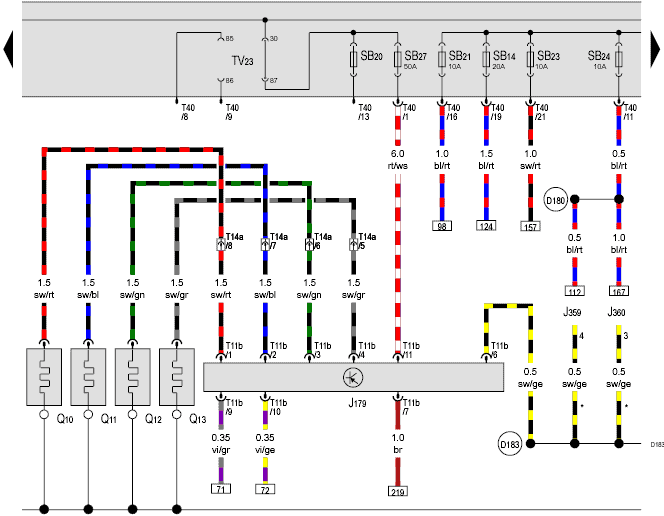
The diagram shows the components of the glow system of a VW Golf VI 2.0 TDI engine:
- J179: pre-glow unit (control unit)
- Q10 to Q13: glow plugs cyl. 1 to 4.
The glow plugs are supplied with voltage by the pre-glow unit (J179), also called the glow control unit or the glow relay. Pins 11 and 7 of the pre-glow unit are connected to the fuse box (positive) and a ground point on the body.
The pre-glow unit is connected to the engine control unit via the vi/gr and vi/ge wires (at positions T11b pins 9 and 10). This ECU can be found on another diagram under references 71 and 72.
In other engine types, signal transmission or communication between the pre-glow unit and the engine ECU can be achieved via LIN bus. The pre-glow unit communicates with the engine ECU when and for how long the glow plugs must be activated, and provides feedback if a glow plug is faulty, so that the engine ECU can store a fault.
The pre-glow unit controls the glow plugs by means of a Pulse Width Modulation (PWM) signal. The width of the pulse determines the control, and thus the temperature of the glow plugs. The wider the “active” part within one period of the PWM signal, the hotter the glow plug will become. The illustration shows the principle of a PWM signal:
- top: 50% duty cycle;
- middle: 25% duty cycle (active for a quarter of the period)
- bottom: 75% (active for three quarters of the period). The average voltage is therefore the highest for the three PWM signals shown.
In the first phase of the preheating process, the glow plugs are controlled with a duty cycle > 95%, which corresponds to an average voltage of around 13 volts. As a result, the glow plugs very quickly reach a temperature of approx. 1100 °C. The voltage is then reduced step by step to an average of 4 volts. The temperature drops to about 1000 °C and is then kept constant. Afterglow stops:
- after the glow plugs have been controlled for a certain period of time;
- when the coolant temperature is higher than approx. 60 °C
Glow plug control during engine start:
At the moment the engine is started, the glow controller powers the glow plugs for a certain period of time with a constant voltage of 12 volts. This is also called the “preglow”. This control method ensures that the glow plug reaches its operating temperature as quickly as possible. At a coolant temperature below 25° this preglow time is required. The lower the temperature, the longer the preglow will last.
- at a coolant temperature above 25°C there is no preglow;
- at a temperature of 25°C the preglow lasts 0.5 seconds;
- at a temperature below -25°C the preglow lasts between 2.5 and 3 seconds.
The scope images were recorded on a glow system with ceramic glow plugs (BMW 320d, N47, 2011). These reach temperature faster than metal glow plugs. The preglow can therefore last longer. After some time the operating temperature of the glow plug is reached and it is controlled in a pulsed way to keep it at temperature. In this scope image you can see that the on-time (12 volts) becomes shorter and shorter over time.
Afterglow after the engine has started:
A few seconds after the engine has started, the glow control unit continues to control the glow plugs in a pulsing manner. This keeps the glow plugs at temperature to enable afterglow. This helps to minimize diesel knock as well as harmful emissions. The afterglow continues until the coolant has reached a temperature of at least 60° Celsius (the actual switch-off temperature can differ per make or variant). The duty cycle remains the same during the afterglow phase.
Glow control of multiple glow plugs:
The glow control unit activates the glow plugs one by one. With wider pulses, the pulses partially overlap. The reasons for controlling the glow plugs individually are as follows:
- If all the engine’s glow plugs receive a pulse at the same time, a current will start to flow immediately. In that case there will be a very high current for a short moment (during a pulse the currents through four glow plugs added together), and when the voltage is 0 volts no current will flow. This switching on and off of large current and no current would impose an unnecessarily high load on the vehicle electrical system;
- by alternating the pulses between the cylinders, the current through the glow controller is kept constant, but is distributed over the glow plugs by the pulses.
In the scope image below we see the control pulses of two glow plugs, in this case of cylinders 1 and 2. All four glow plugs can be controlled individually or in groups (e.g. cylinders 1 and 4 together, and 2 and 3 together).

Glow plug faults:
When glow plugs are defective this can be noticed by fluctuations in engine speed or diesel knock after the engine has started during a cold start. There will be strong soot formation (not noticeable when a diesel particulate filter is fitted). Another consequence of one or more defective glow plugs can be that the diesel particulate filter can no longer regenerate. The required temperature is not reached and the filter becomes saturated with an excessive amount of soot particles. Faulty glow plugs are recognized by the engine management system in modern systems. The glow control unit always performs a resistance measurement (via a voltage drop across a shunt) and communicates the condition of the glow plugs (often via LIN bus) with the engine control unit. A warning light on the dashboard will often only appear at low outside temperatures. At temperatures above 5°C to 10°C a fault is stored that you can read out with an OBD system, but the driver is NOT notified by a warning on the dashboard.
If you suspect that a glow plug is defective, you can perform a resistance measurement using a multimeter. The measurement can be carried out while the glow plug is still in the engine block, but also on a removed glow plug. Considering the risk of breakage when removing glow plugs, it is more sensible to first measure the glow plugs in the installed condition.
- remove the connector from the glow plug and put it aside;
- place the red probe on the tip of the glow plug where the connector should be attached;
- place the black probe (preferably) on the housing of the glow plug, elsewhere on the engine block, or on a suitable ground point;
- set the multimeter to the “ohm” setting to measure resistance.

The resistance value does not indicate how good a glow plug is. After all, you are measuring the resistance through the coil. The metal or ceramic tip may be contaminated or may glow slower and less effectively due to age. However, the resistance measurement can be used to determine whether the glow plug is able to glow as soon as current flows through the coil:
- a resistance between 0.2 and 6 Ω is good;
- a resistance <0.2 Ω is too low. Most likely the coil (positive) and the housing (ground) are making internal contact with each other;
- no resistance (OL or 1.) means that there is an internal interruption in the glow plug. No current can flow through the glow plug;
- a very high resistance (e.g. 6 kΩ) also indicates a fault. As a result, the current will be low and the glow plug will hardly heat up.
If it turns out that one or more glow plugs have an incorrect resistance value, but all four glow plugs are the same age, the manufacturer advises replacing all glow plugs at the same time. Even if a resistance measurement seems good, the glowing characteristics may nevertheless be reduced due to age. With four new glow plugs you are assured that there are no differences in glowing characteristics and thus in glow temperatures.
Glow plugs that are controlled with a pulse by a pre-glow unit can be recognized by the voltage stated on the housing: 5.3 or 7 volts. This is the operating voltage required to keep them at temperature. Whereas glow plugs of older engines with a 12 volt battery could be tested directly, the newer types of glow plugs can overheat and fail if they are supplied with 12 volts for too long.
Removing glow plugs:
When removing the glow plug, make sure that it should only be loosened with little force. Excessive force can damage the thread or the cylinder head, or cause the glow plug to break. To prevent this, it is advisable to first bring the engine up to operating temperature. By heating the materials of the glow plug and the cylinder head, the caked soot particles soften. The glow plug can now be removed more easily than with a cold engine.
If the glow plug breaks, in many cases a hole has to be drilled in the glow plug and then the thread and the remaining tip must be removed from the hole or from the cylinder, possibly with the help of a magnet. There is a risk that the thread will be damaged during drilling if you do not drill accurately. There are special tools to drill carefully at the correct angle (see the picture below). In the worst case, the cylinder head has to be removed to remove the glow plugs. Therefore, leave the replacement of a glow plug to a specialist.
The most common cause of a glow plug breaking is that it has been tightened too much in the past. Glow plugs have a tightening torque between 10 and 25 Nm, depending on the thread. Always consult the workshop manual or the specifications of the respective glow plug for the correct tightening torque.
Related pages: