Topics:
- Introduction
- VAG diagrams in general
- VAG diagrams: wire colour, wire gauge, component codes and references
- VAG diagrams: connector codes and pin assignments
- VAG diagrams: power, ground and signal wires of an active sensor
- VAG diagrams: shielded wires
- VAG diagrams: networks
- Assignment reading VAG diagrams
- HGS-data lighting diagram
- HGS-data wiper diagram
Introduction:
The diagrams on this page are intended at all times for educational use. The focus is not on the car model or version, but on the explanation of how such a diagram must be read. The specific vehicle data and data irrelevant to the explanation are omitted.
The following information sources have been used for the diagrams:
- VAG diagrams: ElsaWin / ErWin;
- HGS-data diagrams: Hella Gütmann Solutions.
Consult the manufacturers / developers above in order to gain access to their database. Sometimes you take out an annual subscription, other times you purchase login time of e.g. one hour, 24 hours, a week, a month or a year.
The owner of this website does not provide diagrams to third parties and claims no copyright on the diagrams shown below.
VAG diagrams in general
The following paragraphs contain several diagrams from VAG (VW, Audi, Seat, Skoda). An explanation is given about the meaning of a number of symbols, abbreviations and references.
Every diagram shows component codes. These codes serve to keep the diagram clear and not overloaded with text. This also makes it easier to keep diagrams universal. Translating a legend is easier than making language changes in every single diagram. In the text, only the most important components needed for the explanation are mentioned.
VAG diagrams: wire colour, wire gauge, component codes and references:
We will look at the meaning of the abbreviations for wire colours, gauges, components and references in the VAG diagram.
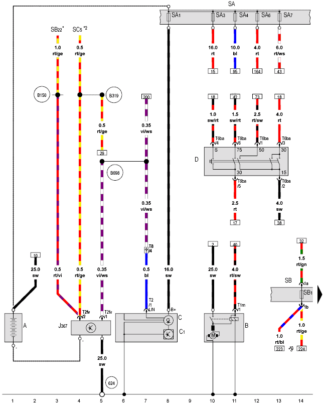
At the bottom left of the diagram, the battery is shown with component code A. If we follow the dashed line upwards, we end up at a connection to SA.
In reality, the dashed line is a direct connection to the fuse box. SA is the component code of the fuse box on the battery.
In the grey block below SA we find SA1 to SA7. These are the fuses; SA1 is the first fuse in this component.
From the shape of the fuse box in the diagram, you can see that in reality it is larger; the jagged lines on the left and right show that the fuse box continues in the next diagram with even more fuses.
From SA1 a black line runs downwards; it ends at component C. In the legend we find that C is the code for the alternator. On the alternator, the black wire is connected to B+. B+ is the (battery positive) terminal connected by means of a fuse to the positive terminal of the battery.
The wire gauge is 16.0 mm² and the colour sw is German for “schwartz”, which in Dutch means black.
On the alternator we find two more terminals, one of which is a ground connection (direct to the engine block) and one LIN bus terminal. This is a blue 0.5 mm² wire which changes into a violet-white (vi/ws) 0.35 mm² wire. The LIN bus wire is also connected to J367 (control unit for battery monitoring) and goes to reference 200. We will come back to this reference later.
Control unit J367 is connected by two wires to fuses SB22 and SC5. At the top, asterisks (*) can be seen.
At SB22 * and at SC5 *2. This is related to the model year: * up to May 2010 and *2 from May 2010. If we are dealing with a car from 2011, the red/yellow wire to fuse 5 in fuse box SC applies.
From control unit J367 a black 25 mm² wire runs to a ground point coded 624. The little circle is coloured white: this is a screwed connection to the bodywork.
With the code 624 we can find the exact location in the vehicle. The black dots on the same horizontal line are junctions: these ground wires are connected to the screw connection 624. This is a common ground point on a screwed connection and is also called a “ground splice”.

In the diagram above, we also see components B (the starter motor) and D (the ignition switch). This part is highlighted in the next diagram. Above the starter motor (B) we see two wires: a thick black wire (25 mm²) and a relatively thinner red/black wire. At the top of the black wire we see a rectangle with a 2 inside. This is a reference to another part of the diagram. This relates to the horizontal line below the diagram.
All diagrams of the engine compartment are numbered as follows: under the first diagram the horizontal line starts at 1 and ends at 14. The second diagram starts at 15 and continues to 28. The last diagram ends at 238. When looking at reference 2, we locate this coordinate on the horizontal line. As it happens, the reference is now in the same image. When we look upwards at number 2, we find a black 25 mm² from the positive terminal of the battery to reference 10. This reference goes to number 10 on the horizontal line. When we look up here, we again find reference 2. This means that these black wires are actually connected to each other and in reality are one and the same wire.
Diagram 2 is a continuation of the previous diagram.
The horizontal line now starts at 15. In this diagram, the fuse box (SB) in the dashboard and a relay (J317) can be seen.
At the top left there is a red wire with reference 10. If we follow this reference to the (previous) diagram, we end up at fuse 3 in fuse holder A. The positive supply therefore comes from the fuse holder on the battery. Via the positive splice (B170) this positive connection is linked to various other positive splices (A40, A32 and A52). The positive splices are junctions where several positive wires are connected together.
The positive also ends up at relay J317. Terminal 30 of this relay is therefore always supplied, regardless of whether the ignition or engine is switched on or off. Terminal 86 is fed via fuse SB20 or SC5, depending on the model year. When this relay is activated, the voltage is passed on via terminal 87 to fuse holder SB. Fuses SB28 to SB33 then receive voltage. This relay is therefore responsible for supplying power to several components that only receive power when the relay is switched on. But which component is responsible for this? We look at reference 60 on terminal 85.

VAG diagrams: connector codes and pin assignments:
In the previous diagram we went looking for the component that is responsible for switching relay J317 on and off. We looked up the diagram that is referred to. At number 60 on the horizontal line we look upwards and come across reference 22. This sw/gr (black/grey) wire from both diagrams is therefore actually one wire connection. We end up at control unit J623 (engine control unit). This means that the components in the previous diagram that are supplied with voltage via fuses SB28 to SB33 are indirectly switched on and off by the engine control unit.
The components connected to this are: the heating element for the lambda sensor, the fuel metering valve, solenoid valve for boost pressure limiting, changeover valve of the EGR cooler, the ECU of the glow plugs, the brake light switch and the clutch position sensor. When the ignition is switched off, the relay is not energised and these components are not supplied with power.
The engine control unit J623 has several connectors. One of these is T94. This is a 94-pin connector (so 94 possible connections from 1 to 94, not all of which need to be occupied). All wires connected to the ECU in this diagram are connected to connector T94. Each wire has a number, for example /26. This means that this wire is in position 26 of connector T94. We note this as T94/26. When we take measurements with a breakout box, we look up terminal T94/26 in the overview.

Besides the connections on the ECU, every component also has its own connector code and pin assignment. In the previous diagram we look up component codes G79 and G185. This is the code of the accelerator pedal sensors. The two sensors are housed in one unit. On the housing there is a connector with six terminals. The code of the six-pin connector is T6b. The terminals are numbered 1 to 6. The left-most terminal has the code T6b/2. This terminal is connected via a grey/yellow wire to T94/15 on the engine control unit. The function of each wire and terminal is discussed in the next paragraph.
VAG diagrams: power, ground and signal wires of an active sensor:
The next diagram shows a section with the accelerator pedal sensors G79 and G185 from the previous diagram. In the housing we see six terminals; three for G79 and three for G185.
Pin 2 of connector T6b is connected to T94/15 on the engine ECU. Here it says: 5V. This is the positive supply of the active sensor. The blue wire on pin 3 of the sensor is the ground wire (0 volts). The centre one (brown/green) is the signal wire.
The engine ECU supplies a voltage of 5 volts to the accelerator pedal sensor, which is an application of the potentiometer. Depending on the position of the accelerator pedal, the electronics send a voltage to the ECU. The arrow on the resistor (the wiper) moves up or down when operating the accelerator pedal.
- Arrow down: signal voltage high.
- Arrow up: signal voltage low.
- The higher the arrow is, the more voltage has been dropped across the resistor before it reaches the wiper.
The interface electronics in the ECU translate the level of this signal voltage into the accelerator pedal position. The second sensor is built in for safety. Here the wiper is oriented the other way round; this means that the signal voltage is inversely proportional: if the voltage of sensor 1 increases, the voltage of sensor 2 will decrease. If this condition is met, the ECU accepts this signal.

In the next diagram we again deal with active sensors. In this case, the sensors do not each have their own supply wires, but this is distributed.
In this diagram we see, among other things, the following components:
- G247: fuel pressure sensor;
- G581: boost pressure control position sensor;
- G40: Hall sensor.
We first look at the fuel pressure sensor. On pin 2 of connector T3o this sensor is connected by means of a yellow/grey wire to T60/40 on the engine control unit. We can assume that this is the signal wire. In addition to this signal wire, the sensor must also be provided with a power and a ground wire. We look at pin 1 of connector T3o. This brown wire joins the brown wires from the other sensors at designation 85. This number can be seen on both the left and right of the horizontal connecting line.
In the legend this is indicated as “ground splice 1 wiring loom engine compartment”.
The same applies almost to the power wire: the power wires are designated with D141 (5 V positive splice engine compartment).
If we are dealing with a fault, we are interested in where the actual power and ground wires come from. We follow the references.

The positive splice (D141) and ground splice (85) appear in the next diagram. At connector terminals T60/10 and T60/51 of the engine ECU these power and ground wires come together.
Component GX5 is the EGR solenoid valve. G212 and V338 are the position sensor and the electric motor of the EGR valve.

VAG diagrams: shielded wires:
A magnetic field can cause interference on a sensor signal. For some signals this can have negative effects on the operation of the engine. To reduce the influence of this interference signal as much as possible, the signal wire is wrapped in a separate wire that is connected to ground by the ECU by means of filter circuits. Shielded wires are often used for the signal wires of:
- throttle position sensor;
- inductive crankshaft sensor;
- knock sensor.
In the diagram we see that the wires of component G61 (knock sensor) are encircled with a broken dashed line. This circle is connected by a black 0.35 mm² wire to pin 38 of the ECU.

VAG diagrams: networks:
The next diagram shows a LIN bus network of a master (J519 – control unit for the onboard power supply) and two slaves. The LIN bus is a single-wire communication system. This means that the communication between the different control units takes place via only one wire.
- G578, G273, G384: alarm system sensors, tilt angle and interior monitoring. The three sensors are housed in one unit;
- H12: alarm horn.
The master communicates with the slaves via the vi/ws (violet-white) LIN bus wire. In the diagram this wire is designated with the number: B549.
The supply wires of the sensors run via various references to the positive and ground points in other diagrams. How we can look these up is described in one of the first paragraphs on this page.

The CAN bus system is shown in the next diagram. Communication takes place via two wires: CAN high (B397) and CAN low (B406).
The control units shown are:
- J386: door control unit, driver side;
- J387: door control unit, passenger side;
- J533: gateway.
The door control unit J386 is connected via the CAN bus wires to the other control units in the network. In addition to the CAN bus, a LIN bus wire can also be seen on pin 15 of this control unit. The LIN bus wire is connected to the exterior mirror.
If we want to look up all control units of this bus system, we look at what the horizontal lines of B397 and B406 are connected to. These lines run through another ten diagrams, where in each diagram one or more control units are connected in parallel to these CAN bus wires.

Assignment reading VAG diagrams:
By reading and understanding the explanation above, you become familiar with the symbols, abbreviations and references in the VAG diagrams. The following assignment gives you the opportunity to practice with the knowledge you have gained. Below you will find an instructive assignment on reading diagrams consisting of a complete diagram of a comfort system, a questionnaire and an answer sheet. Of course, first try to answer the questions before looking at the answers!

HGS-data lighting diagram:
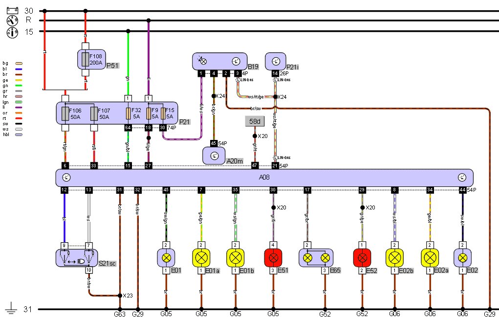
The electrical diagram below comes from HGS-data and is from a BMW. Below the diagram, the legend shows the meanings of the numbers and abbreviations. The top and bottom lines in the diagram are battery positive and negative. R means: radio position; this is also called terminal 75. Below that, terminal 15 is shown: this becomes live when the ignition is switched on.
The power terminals 30, R and 15 are connected to fuse box P21 by red (rt), green (gn) and lilac (li) wires. From the fuse box, four wires run to control unit 08 and to the light sensor (B19).
The steering column switch S21sc is operated by the driver of the vehicle. The position of the switch is passed on to the ECU. Pins 9 and 7 of the switch are connected by a blue and a white wire to pins 12 and 13 of the ECU.
In the ECU, the position of the switch is translated into control of the lighting. Each lamp has its own connection on the ECU. At the moment the driver switches on the sidelights, the ECU switches on the supply voltage of the following lamps: E01, E02, E51, E52, E65 and not to forget the dashboard lighting: 58d.
Furthermore, it can be seen that there is LIN bus communication between the light module control unit, light sensor and the instrument cluster.
There are various ground points. The locations of these ground connections can be traced in the legend.

Legend:
F108 Maxi fuse 200 A
5A Fuse 5 A (3)
15 Ignition on – 15
30 Battery voltage – 30
31 Ground – 31
50A Maxi fuse 50 A (2)
58d Instrument lighting
A08 Light module
A20m ECU multifunction unit
B19 Light sensor
E01 Left parking light
E01a Left low beam
E01b Left high beam
E02 Right parking light
E02a Right low beam
E02b Right high beam
E51 Left tail light
E52 Right tail light
E65 Number plate light
G05 Ground at left headlamp (4)
G06 Ground at right headlamp (3)
G29 Ground at propshaft tunnel (2)
G52 Ground luggage compartment R (2)
G63 Ground under driver’s seat
L LIN bus (3)
P21 Interior fuse box
P21i Instrument cluster
P51 Main fuse box luggage compartment
R Radio position – R
S21sc Steering column switch
X20 Connection steering column (3)
X23 Connection behind dashboard left
X24 Connection behind dashboard right (2)
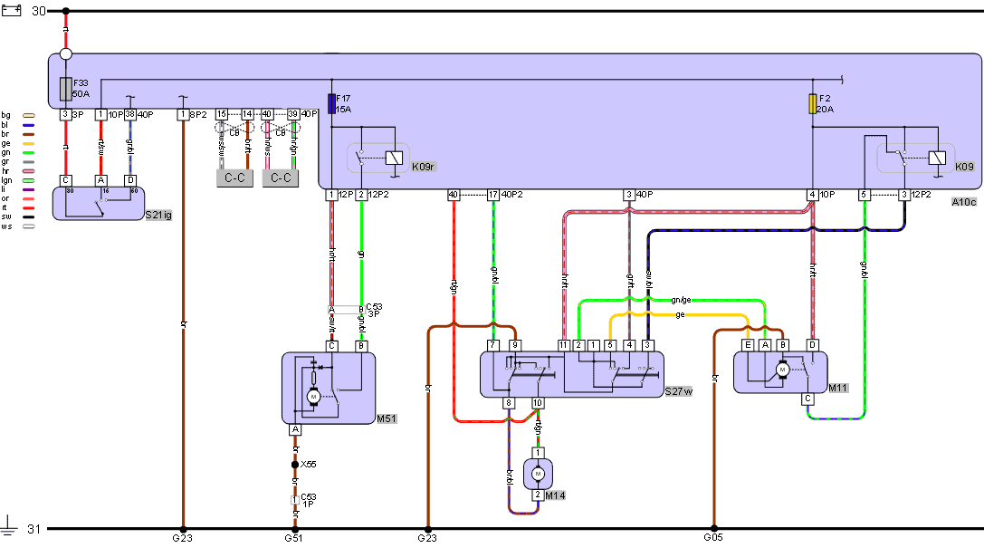
HGS data wiper diagram:
The diagram below shows the wiper system of a Smart. The wiper motors are switched on and off via the relay. Relay K09r is for the rear wiper motor and is switched to ground by the control unit. The switch is not directly connected to the relay; the control unit switches the relay on when:
- the switch is in position 1 (intermittent), position 2 (constant speed) or position 3 (high speed);
- when controlled with diagnostic equipment, for example during an actuator test.
For the rear window wiper motor, the black/red wire on pin C is the positive wire; via the fuse (F17) this connection is linked to terminal 15 of the ignition switch. So with the ignition on, there is always voltage on pin C.
The brown wire is the ground wire; via connector X55 in the tailgate this wire is connected to ground point G51, on the left in the luggage compartment.
On pin B there is a green/blue wire connected that goes to terminal 87 (not visible in the diagram) of the relay (connection 1). The main current is switched on and off at this point.
When the wiper switch S27W is switched on, the ECU connects terminal 85 of relay K09r (control current output) to ground. The relay is then energized. Not even a second later the actuation stops. The wiper motor completes its movement thanks to the contact plate. It remains in the park position until the relay is actuated again for one second. We call this the intermittent function. There is a short pause between each back-and-forth movement of the wiper arm. The time between actuations can often be set on the wiper stalk.
The small switches in the wiper motor are in fact the conductive contact plate and the sliding contacts.
The front wiper motor (M11) works in a similar way. Connection B is the ground connection, A is position 1 (low speed and intermittent), E is position 2 (high speed) and D is to move the motor back to the park position via the conductive contact disc.

Legend:
#1 Resistor
#2 Diode
15A Fuse 15 A
20A Fuse 20 A
30 Battery voltage – 30
31 Ground – 31
50A Maxi fuse 50 A
A10c Central electrical system interior
C-C CAN bus comfort (2)
C53 Connector left D-pillar (2)
CB CAN bus (2)
G05 Ground at left headlamp
G23 Ground behind dashboard L (2)
G51 Ground luggage compartment L
K09 Relay front wiper motor
K09r Relay rear wiper motor
M11 Front wiper motor
M14 Washer pump
M51 Rear wiper motor
S21ig Ignition/start switch
S27w Wiper/washer system switch
X55 Connection tailgate